This is a significant safety issue that can cause major damage to the motorhome and potentially lead to an accident should. Roadmaster r4r or rr4r chassis equipped with a monaco gold suspen sion to have their motorhomes trailing arms inspected and replaced with the source manufacturing tra 1003 suspension kit if necessary.
Download 8 Hp Briggs Coil Wiring Diagram
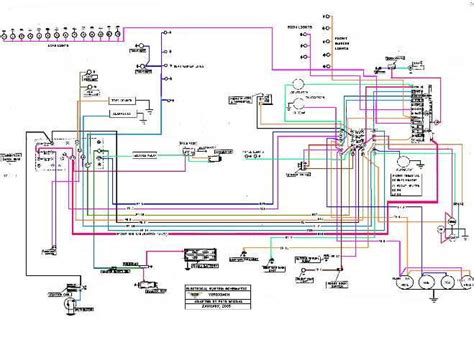
Roadmaster chassis wiring diagram. Diodes prevent electrical feedback and protect both. Plug and socket wiring diagrams. Universal wiring kit 154. Universal wiring kit part 154. Replacement power cords part 650814 installation instructions. Monaco coach owners and dealers alike can use this quick convenient form to request rv schematics or technical assistance.
It shows the parts of the circuit as simplified forms and the power as well as signal links in between the tools. Whichever one you choose roadmaster has a kit with all the necessary components and step by step instructions. From rv wiring diagrams to rv plumbing schematics we have a variety of class a motorhome diagrams readily available. Replacement power cords part 650816 7. We carry hard to find rv chassis replacement parts including radiators wiper motors pumps mufflers and more for popular rv manufacturers such as dutchmen kzrv holiday rambler roadmaster rev rv and monaco on 2000 or newer models. A wiring diagram is a simplified conventional pictorial representation of an electric circuit.
This kit uses a system of diodes to connect your towed vehicles turn signals running lights and brake signals to your motorhomes. Universal brake light switch kit part 751000 installation instructions. Assortment of roadmaster wiring diode diagram. Standard wiring codes for roadmaster products.














