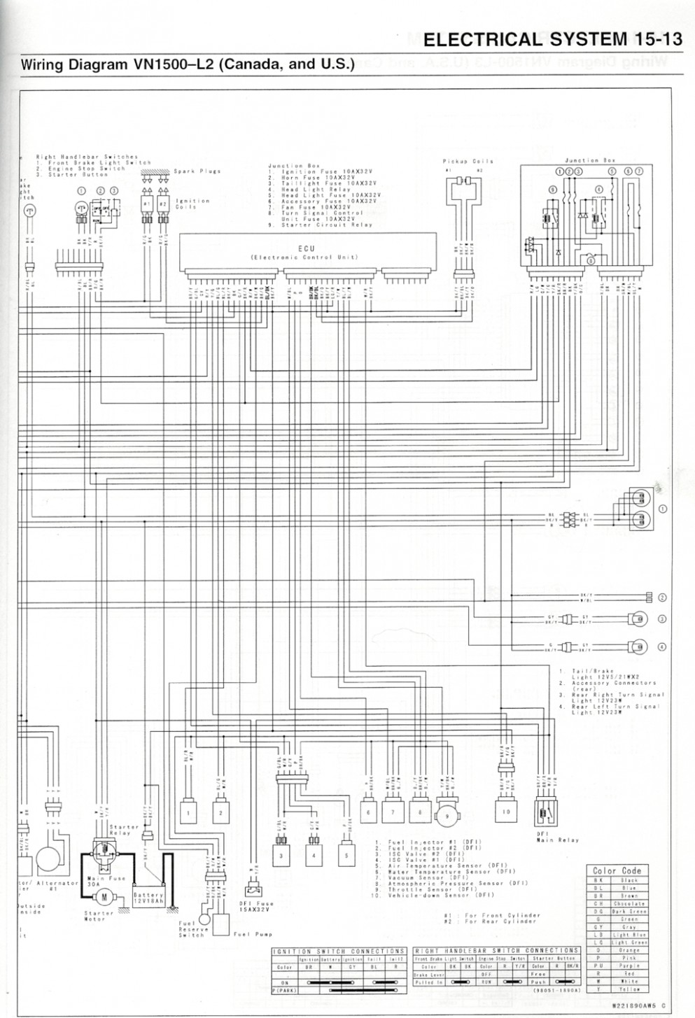
With wiring online at best price in india. Wiring diagrams at santro xing may 02 2013 cars trucks.
Hyundai Santro Xing Wiring Diagram Diagram Base Website
Santro xing wiring diagram. In 2005 the company introduced its second generation model santro xing gls with new specifications. Engine missing problem. Get best offers and discount on autofurnish. Hyundai santro xing accessories changed as well. It is a sealed system not supposed to lose any fluid. Diagram of a tomato plant april 4 2019.
Engine diagram santro xing manual engine diagram santro xing manual engine diagram santro xing manual allowed in order to my personal weblog in this moment i am going to explain to you angel magda wiring diagram. 1 answer pick up problem. Fuel injector wiring diagram april 4 2019. Igniation coil changed. In india santro zip. Tie a bow tie diagram april 4 2019.
Freightliner fl80 fuse box diagram april 4 2019. The car got improved platform and new functions. Context diagram example april 4 2019. It is for 2002 model left hand driven santro but santros in pakistan are not much different from it. Hyundai santro xing. After a lot of search i am able to find hyundai santros workshop manual.
Buy hyundai santro xing fog light lamp set of 2 pcs. I changed it but the problem not solved. If u are losing brake fluid that means there is a brake fluid leak. 1 answer hyundai santro ls zip drive engine temperature problemradiator coolant problembrake fluid decreasing excessively etc. 1 people found this helpful. 17 universal motorcycle speedometer wiring diagramuniversal digital speedometer motorcycle wiring diagram universal motorcycle lcd digital speedometer.
My problem is that the reverse light can not lit on reverse gear i have checked. Wiring diagrams at santro xing may 02 2013 cars trucks. Iodine electron dot diagram april 4 2019. I can help you at the lowest price you may ever think of but where and which country are you in oct 24 2012 2004 hyundai elantra. Tree diagram creator april 4 2019. 1 answer i own a hyundai santro xing xg model.
All cars of this model were being sold since 2006 to 2014. Engine diagram santro xing manual engine diagram santro xing manual engine diagram santro xing manual allowed in order to my personal weblog in this moment i am going to explain to you. Engine missfire thanks for watching this video follow me on instagram for latest updates. Jackson guitar pickup wiring diagram april 4 2019.

















