Spitronics wiring diagram looking for the wiring diagram on a spitronic system venus mazda cars trucks question. Spitronics tcu introduction this chapter discusses the spitronics tcu as a product how it is designed and how it operates in general.
1uzfe Spitronics Wiring Part 5 Youtube
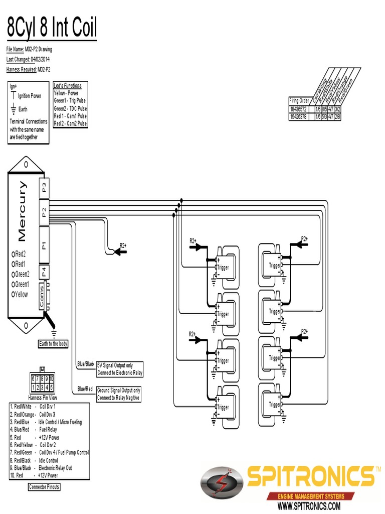
Spitronics wiring diagram. 1uzfe spitronics wiring part 1 duration. Please read the manual study the wiring diagram and apply. My videos merely attempt to help you with wiring up your spitronics and i do not take any responsibility for any damage that may result. Haltech recommended for you. It shows the components of the circuit as simplified shapes and the gift and signal friends in the company of the devices. Will send a email to spitronics but waiting until i have gone through the box incase i have 2 or 3 questions.
Spitronics advance is for engines with a crank sensor and multiple coils or coil packsome examples are opel 2lt 16v 60 2 on crankshaft with coil pack vw golf vr6 60 2 on crankshaft with coil pack ford zetec 36 1 on crankshaft with coil pack most oem trigger wheels can be used. Spitronics is a south african based company that specialises in manufacturing state of the art engine management and transmission. Many good image inspirations on our. This chapter discusses the how to do the wiring and physical installation of the tcu. Spitronics is a south african based company that specialises in manufacturing state of the art engine management and transmission control systems. The spitronic only has 1 sensor input so with 2 sensors one each manifold how would you wire up just the one and hope both banks are running the same or can you wire 2 sensors in parallel.
Be sure to read the precautions during this faze. The greatest advantage of the spitronics product range is the overall simplicity compact size easy installation and real time tuning that carries the do it yourself concept forward. Spitronics engine management wiring diagram wiring diagram is a simplified within acceptable limits pictorial representation of an electrical circuit. Spitronics wiring diagram looking for the wiring diagram on a spitronic system venus mazda cars trucks pontiac trans sport wiring diagram and electrical system. 6 ways to wire in your ecu haltech technically speaking duration. Spitronics engine management wiring diagram rate toyota 1uz wiring diagram page 5 wiring diagram and schematics spitronics engine management wiring diagram new r4 wiring diagram rh zookastar we collect lots of pictures about spitronics engine management wiring diagram and finally we upload it on our website.















