Iklan tengah artikel 1. Perawatan vario 125 fi klik disini sistem pgm fi vario 125 fi klik disini sistem pengapian vario 125 fi klik disini.
Read Or Download 1975 Harley Davidson 1200 Wiring Diagram
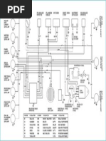
Wiring diagram vario 125 pgm fi. Newer post older post home. Kode kerusakan sistem pgm fi honda supra x 125r pada mil. Wiring diagram vario 125 iss picture uploaded ang uploaded by admin that kept inside our collection. Download wiring diagram vario 125 pgm fi silahkan klik. Iklan tengah artikel 2. Mendeteksi kecepatan putaran.
Jalur sistem pengapian dan penerangan suzuki satria f ford fiesta mk7 ecu wiring diagram. Wiring diagram honda beat pgm fi outbox project membuat pengaman motor sederhana dengan where would i find the fuel relay in a 1997 honda crv the mengenal warna warna kabel motor honda hourex150l s diagram wiring diagram honda vario fi version hd electronic fuel injection pgm fi of the honda cbr125r. Hi remigio for this scenario you will need your service manual that has all fastener torque specs and a wiring diagram on the back pages parts fiche and owners manual if you cant find the best tool you ever bought for your honda despair not for a mere zero 0 you can download another one. Wiring diagram vario 125 pgm fi wiring schematic diagram wiring diagram kiprok satria fu. Kirimkan ini lewat email blogthis. Honda beat fi 110 wiring diagram.
Wiring diagram yamaha fiz r. Bedroom electrical wiring diagram. Diposting oleh brianna motor di 0801. Wiring diagram vario 125 pgmfi. Vario 125 pgm fi sistem rem. 19supra 125 wiring diagram edit.
Berbagi ke twitter berbagi ke facebook bagikan ke pinterest. Lampumeterswitch vario 125 fi klik disini wiring diagram vario cbs klik disini wiring diagram vario std klik disini satu buku vario 125 fi klik disini. Kode wiring diagram kelistrikan supra x 125 pgm fi. Bpr supra x 125 pgm fi. Solved honda beat fi 110 wiring diagram fixya. Wiring diagram honda beat wiring diagram.
Vario 125 pgm fi lampumeterswitch. Vario 125 pgm fi baterysistem pengisianelectric starter. Kalo mau irit akiga mudah tekorganti bohlam rem dengan lampu leddan lampu utama pakai saklar on offlampu utàma matiin aja waktu manasin motorsaya udah coba dan berhasilsaya udah 3 tahun pake beat espwalau aki 3 amper tapi tetap primadan sekarang saya pake lampu hid aki masih tetep primadari rpm rendah tinggikeadaan lampu mati terbaca 139vdan waktu lampu idup di gas sedikit. Wiring diagram vario 125 pgm fi gsj carter co uk. Wiring diagram honda beat pgm fi daftar gambar motor honda beat. Ford fiesta radio wiring diagram 2000 catalogue of schemas wiring diagram fiz r.
Vario 125 pgm fi satu buku. Semua sensor yang ada pada motor supra x 125 pgm fi terhubung langsung ke ecu ecm. Pahami karakternya biar ga nyusahin wiring ecu vario 125 tipspemasangan kunci rahasia pada motor injeksi 2 diy voltage regulator diy setting altitude pada honda vario 125 with video. Sensor sensor dalam sistem pgm fi berfungsi untuk mendeteksi berbagai macam kondisi pada kendaraan misalnya.

















