False view customer accounts we have updated our data protection policies based on the new gdpr act. Literature library rockwell automation.
0ebaae 3 Way Wiring Diagram Carter Illinios Wiring Library
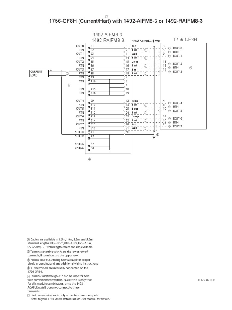
1492 aifm8 3 wiring diagram. 1492 aifm6s 3 recording equipment pdf manual download. 1492 aifm6s 3 1492 aifm8 3 standard terminal 8 channel for 3 wire sensor devices. Weve got allen bradley 1492 aifm16 f 3 wiring module fusible 3 terminals per 16 channel blown fuse ind. Watch the following videos to see how our io wiring conversion systems can help you save time and money and reduce wiring errors when converting from plc 5 io to controllogix io. 5 pinout brochage anschlußbelegung disposizione dei piedini esquema de pins io wiring data 1492 aifm8 3 1492 raifm8 3 3 b1 b2 b3 b4 b5 b6 b7 b8 b9 b10 b11 b12 b13. Shield terminals six field side terminals are jumpered together on the aifm and internally connected to the d shell housing.
View and download allen bradley 1492 aifm6s 3 user manual online. At wholesale prices at rexel usa register now. For field side wiring diagrams refer to the wiring system web site information on page 200. 1492 aifm8 3 1492 aifm 16f 5 ab c b module type all types do not configure a catalog number codedescription 4 4 channel c combination ce counter encoder 6 6 channel 8 8 channel 16 16 channel f fused c number of field side wiring. Dimensions refer to page 167. Wiring refer to the label section on page 174.
Watch the following video tutorial to learn more about how the bulletin 1492 wiring system can save panel space. 1492 aifm8 3 wiring diagram. Weve got allen bradley 1492 aifm6s 3 wiring module 6 channel isolated 3 4 terminals per channel at wholesale prices at rexel usa register now. Allen bradley 1492 aifm8 3 feed through 8 channel input or output ifm 3 terminals per input analog interface modules aifm with fixed 10662072713331 1.














