A wiring diagram is a streamlined conventional photographic representation of an electric circuit. Yamaha at2 125 electrical wiring diagram schematic 1972 here.
Ignition Switch Problem Access Norton Forums
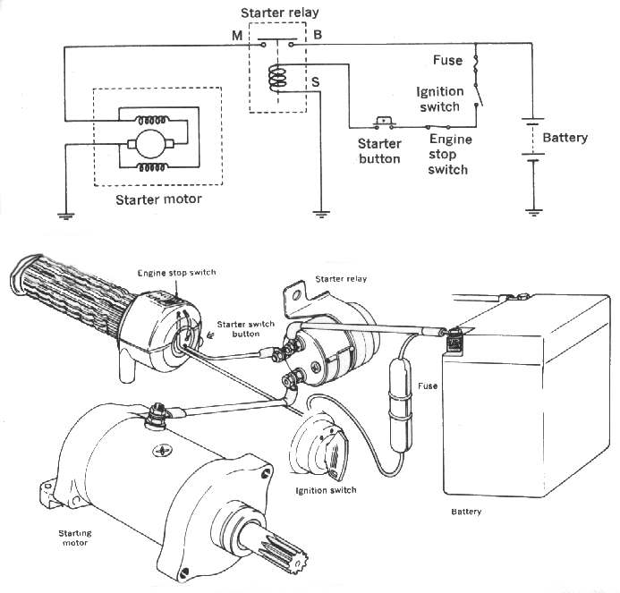
Bike ignition switch wiring diagram. Yamaha ct1 175 electrical wiring diagram schematic 1969 1970 1971 here. Yamaha at1 125 electrical wiring diagram schematic 1969 1970 1971 here. Yamaha ct3 175 electrical wiring diagram schematic 1973 here. Your motorcycle is a dirt bike and has no battery. In fact there can be several methods to the madness so to speak. Scooter 125 moto scooter motorcycle wiring engineering notes 50cc moped chinese scooters electronics basics electrical wiring diagram quad bike.
While these wiring diagrams may seem confusing there is a method to their madness. Like all good motorcycle engineers lamberts bikes have produced part specific electrical wiring schematics. Yamaha at3 125 electrical wiring diagram schematic 1973 here. Esc brushless motor wiring drift mobility scooter drift trike part 2 duration. Like all good motorcycle engineers lamberts bikes have produced part specific electrical wiring schematics. Each diagram includes the part and associated parts all in one wiring diagram.
Yamaha ct2 175 electrical wiring diagram schematic 1972 here. Collection of evinrude ignition switch wiring diagram. Each diagram includes the part and associated parts all in one wiring diagram. Now that we have a way turn the power on and off i like to run one power wire from the front of the bike to back. Every powered accessory will tap into this wire. In this case start with the remaining wire from ignition switch and attach it to the backbone wire.
It shows the parts of the circuit as streamlined shapes and the power and also signal links in between the gadgets. Provided below is an online pdf document for lamberts bikes 3 position 6 wire motorcycle ignition switch wiring diagram. Teaching tech 42287 views. Weve even included standard wire colours where appropriate. 4 wire ignition switch diagram atv 4 wire ignition switch diagram atv wiring diagram for x18 pocket bike new gas mini chopper ignition. Provided below is an online pdf document for lamberts bikes 4 wire motorcycle ignition switch wiring diagram.
I call it the backbone.
















/arc-anglerfish-arc2-prod-bonnier.s3.amazonaws.com/public/N7TKOR37I22DBF5AMWZ5EMDCVU.jpg)