If not the structure will not work as it ought to be. Jun 18 suhr hss wiring diagram i understand that it is a very effective way of having single coil pickups see k and humbuckers see k for hss guitars.
Hss Wiring Help 500k Resistor 250k
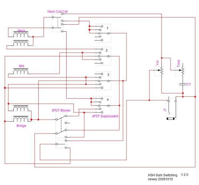
Suhr hsh wiring diagram. Help us celebrate the legendary suhr riot distortion with a chance to win one of 13 pedals. Actually its arguable if you need a seperate resistor if you use a 500k for the tone and ground that spare lug it will lower the impedance just the. Each part should be set and linked to other parts in specific way. May 26 2020 1. Hsh wiring diagram emg hsh wiring diagram hsh wiring diagram hsh wiring diagram 3 way switch every electric arrangement is composed of various different parts. Pickup advice and hss suhr type wiring diagram help discussion in just pickups started by marc2211 may 26 2020.
So as to make sure that the electric circuit is built properly hsh wiring diagram is demanded. Hi all i currently have parts on order at warmoth for a custom strat partscaster i decided to build. Four conductor wiring a variety of spacings and the consistency and quality that suhr is known for. Itar humbucker wiring diagrams that show the coil winding start and finish wire colors coil magnetic polarity and standard series in phase humbucker wiring for. Another breja toneworks diy video this time well go over wiring up a hsh guitar with the ability to add 2 more pickup combinations dual capacitors and independent coil splitting. No need for a super switch just wire the first tone to the single coil pups when the middle is in parrallel with the hum you lower the inductance of the circuit anyway and thats the biggest factor for brightness and deciding the pot value.
We will be giving away 10 riot mini pedals along with three. Wiring diagrams top sellers s style s style 5 way s style 5 way 50s style s style hss s style 7 way s style 7 way 2 toggles s style 5 way blender pot s style 9 way t style t 3 way t 3 way series parallel for single coil pickups t 4 way t 7 way nashville brent mason eldred esquire gibson les p. It requires a super switch. We have also included a few modern touches. So i wonder if it would be an improvement were i to wire it suhrs way. 1 5 way 4 pole super switch.
D custom shop 5 way hsh wiring harness w super switch for modern pro product. With a k volume and bridge tone potsthornbucker pickups are born out of a desire to give guitarists a humbucking pickup set. Jan 30 2018 location. Designed in collaboration with legendary guitarist pete thorn thornbucker pickups are born out of a desire to give guitarists a humbucking pickup set that has all of the best attributes of the coveted 50s paf pickups with none of the downsides. The riot is where our pedals began and during the month of april we are celebrating its legacy with a giveaway.
















